Ethernet Wiegand NFC and 2D Barcode Scanner: RTMU86
Specification✔️1D & 2D barcode reading ✔️NFC card reading ✔️Automatic reading ✔️12v-24v input | ConnectionOption A:
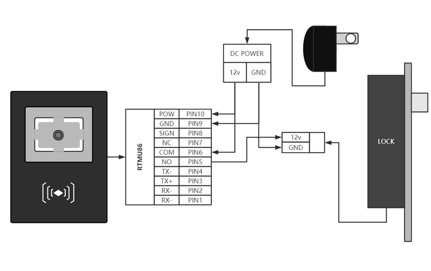
Option B:
|
Features✔️ Holder design to install to wall directly by screws ✔️ With a built-in relay to control the locker directly without using the access control panel. ✔️ Working with ZKTeco access control panel via Wiegand interface for access control. ✔️ To pick up specified digits/data among all output data (✹Optional) CertificateCE、RoHS | |
Video Guide for Connection and configuration
Wiegand Applications
Ethernet Wiegand NFC and 2D barcode Scanner: RTMU86
RTMU86 is a new generation Wiegand NFC 2D barcode scanner which combines Wiegand, Ethernet, NFC reader and barcode reader all in one.
It is ideal to use for all kinds of access control projects. It has not only high reading performance but also a very cost-effective price.
It reads well most 1D & 2D barcodes such as QR code, PDF417 code, Aztec etc from LCD screen, paper, tickets.

Integration
To facilitate your integration, we provide Screws and Holder. The reader can be fixed on the holder and the holder
can be installed in the wall easily and tightly via 2 screws.

*RTMU86 Ethernet pinout

*RTMU86 Wiegand pinout

Installation / Fixing
To facilitate our customer integration, we provide a holder for easy installation on the wall. The holder is designed for easy installation. Just fix the holder in the wall via 2 screws, then fix the reader in the holder and lock it by the screw from the bottom, done.
Control the Wiegand and Ethernet barcode scanner by the access controller
For example, we can control personnel access by using an access controller. We provide a detailed introduction to let you know how to set up the controller. Ask our people to get full documents.


* Access controller
Recommended access controller
We highly recommend that you buy barcode scanner together with the access controller we have already set up. We can set the controller according to your needs before shipping.
Tech Specs
Performance | Image Sensor | 640 * 480 CMOS | |
| Reading distance | 0-10cm (differ for different size code ) | |
| Reading speed | 100ms per scan | |
| Scanning window | 60*56mm | |
| Symbologies | 2D | QR Code, PDF417, Aztec,etc. |
|
| 1D | EAN-13 ISBN-10, CODE_39,CODE_93,CODE_128,ITF, etc. |
| Scan Mode | Sense mode: detect and read automatically | |
| Scan Angle | Roll: 360°, Pitch: ±63.5°, Skew:±59.5° | |
| Field of View | Horizontal 72°, Vertical54° | |
| Resolution | ≥7mil | |
| Min. Symbol Contrast | 25% | |
Mechanical/ Electric | Interface | RS485, Wiegand, Ethernet (Built-in Relay) | |
| Dimensions | 132mm*88mm*21mm | |
| Weight | 200g | |
| Notification | Buzzer, Blue\white state indicator light, Red\green read indicator light | |
| Operating Voltage | 12V-24V | |
| Current | 100mA (Typically 12V) | |
NFC | 13.56Mhz ID card | Only supports reading the physical card number. Mifare_Ultra Light、Mifare_Ultra Light 01, Mifare_One(S50), Mifare_One(S50) 02, Mifare_One(S70), Mifare_One(S70) 03, Mifare_Pro(X), Mifare_Pro(X) 04, Mifare_DESFire, Mifare_DESFire 05 | |
Environmental | Operating Temperature | -20℃ to 70℃ | |
| Storage Temperature | -40℃ to 80℃ | |
| Humidity | 5% to 95% (non-condensing) | |
| Environment illuminance | 0~80000LUX (not direct sunlight) | |
Application:
Can be widely used for all kinds of access control applications.
- Office victors access control
- Building access control
- Factory access control
- Museum
- Tourist sites
- School
- ...

Ask A Sample To Test Now!












